|
Board To Board Connector (Angle Type)
[MZ Series] (10pcs/pack) |
|---|
![]() |
| EXAMPLE |
|---|
![]() |
![]() |
| Material | Resin part | PCT black (UL94V-0) |
|---|---|---|
| Pin part | Phosphorus bronze | |
| Finsh | Pin part | Au plating over Ni |
| Recommended through-hole diameter (phi mm) | 0.6 | |
| Rated current | 2A | |
| Insulation resistance | 500M ohm or more | |
| Dielectric strength | 1000V AC, DC 1min | |
| 700V AC, DC 1min (MZ-1-1) | ||
| Temperature range (degrees Celsius) | -40 to +125 | |
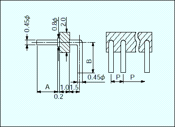
| Model No. | P(mm) | A(mm) | B(mm) | Max pins |
|---|---|---|---|---|
| MZ-1-1 | 1.27 | 2.2 | 3.2 | 40 |
| MZ-1-2 | 1.27 | 3.0 | 4.0 | 40 |
| MZ-2-1 | 1.778 | 2.2 | 3.2 | 30 |
| MZ-2-2 | 1.778 | 3.0 | 4.0 | 30 |
| MZ-3-1 | 2.54 | 2.2 | 3.2 | 20 |
| MZ-3-2 | 2.54 | 3.0 | 4.0 | 20 |