TERMINAL FOR HYBRID IC
Terminal For Contact Point
[CE Series] (1000pcs/pack)
Use this series as contact point with PCB.
Material
Brass
Finish
Au plating over Ni
Rated current
CE-3-1
10A
CE-3-3
20A
CE-3-4
30A
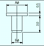
EXAMPLE
Model No.
A
(mm)
B
(mm)
CE-3-2
2.0
1.0
CE-3-3
3.0
1.5
CE-3-4
4.0
2.0