JUMPER (SMT)
Jumper Wire
[MJ Series]
|
PAT
|
| How to use |
 |
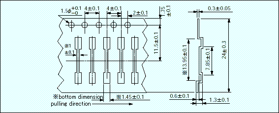
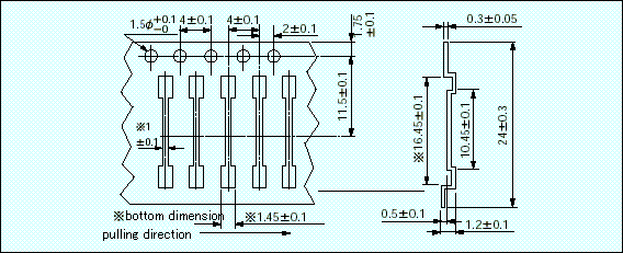
| Dimension plan |
 |
| Recommended pat layout |
 |
- This jump line passes at 0.5mm above PC board.
| Materials | Phosphorus bronze |
| Finish | Sn plating over Ni |
| Rated current | 7A |
| Model No. | L(mm) | Packing | Tape Length |
| MJ-0.1 | 3.54 | 1000pcs/pack | |
| MJ-0.1-T | 3.54 | 2000pcs/reel | 12 |
| MJ-0.2 | 6.08 | 1000pcs/pack | |
| MJ-0.2-T | 6.08 | 2000pcs/reel | 12 |
| MJ-0.3 | 8.62 | 1000pcs/pack | |
| MJ-0.3-T | 8.62 | 2000pcs/reel | 16 |
| MJ-0.4 | 11.16 | 1000pcs/pack | |
| MJ-0.4-T | 11.16 | 2000pcs/reel | 16 |
| MJ-0.5 | 13.7 | 1000pcs/pack | |
| MJ-0.5-T | 13.7 | 2000pcs/reel | 24 |
| MJ-0.6 | 16.24 | 1000pcs/pack | |
| MJ-0.6-T | 16.24 | 2000pcs/reel | 24 |
| MJ-0.7 | 18.78 | 1000pcs/pack | |
| MJ-0.8 | 21.32 | 1000pcs/pack | |
| *MJ-0.1-T |
 |
 |
| *MJ-0.2-T |
 |
 |
| *MJ-0.3-T |
 |
 |
| *MJ-0.4-T |
 |
 |
| *MJ-0.5-T |
 |
> |
| *MJ-0.6-T |
> |
> |