|
Socket
[HHY-1] (10pcs/pack) |
PAT |
|---|
| How to use |
|---|
![]() |
![]() |
| Recommended pat layout |
![]() |
| Material | Socket part | Beryllium copper |
|---|---|---|
| Resin part | PCT black (UL94V-0) | |
| Finish | Au plating over Ni | |
| Recommended male pin diameter (phi mm) | 0.3 to 0.45 | |
| Rated current | 1A | |
| Rated voltage | 125V AC, DC | |
| Insulation resistance | 500M ohm or more | |
| Contact resistance | 10m ohm or less | |
| Dielectric strength | 500V AC, DC 1min | |
| Mating/unmating (times) | 100 times or more | |
| Mating/unmating forces | 30g or more | |
| Temperature range (degrees Celsius) | -40 to +125 | |
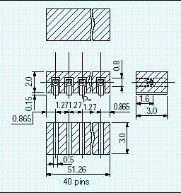
| Dimension plan |
|---|
![]() |