TEST POINT (SMT)
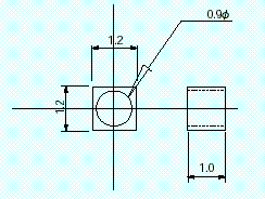
Test Point For Auto-Insertion (1.2X1.0 Type)
[HK-4 Series]
Best use for small equipments.
In the case of reflowing by cream solder, recommended mounting pad layout should be more than 1.3x1.1 to strengthen the bonding.
Material
Brass
Finish
HK-4-G
Au plating over Ni
HK-4-S
Sn plating over Ni
Model No.
Quantity
HK-4-G-T
1500pcs per reel (taping)
HK-4-G
1000pcs per pack (bulk)
HK-4-S-T
1500pcs per reel (taping)
HK-4-S
1000pcs per pack (bulk)
Recommended land diameter