|
Teflon Terminal
[FT Series] (100pcs/pack) |
|---|
![]() |
![]() |
| FT-1 |
|---|
![]() |
| FT-2 |
|
|
| Model No. | A (phi mm) | B (phi mm) | C (phi mm) | D (phi mm) | E (mm) | F (mm) | G (mm) |
|---|---|---|---|---|---|---|---|
| FT-1-1 | 1.52 | 0.76 | 3.18 | 2.36 | 0.51 | 1.52 | 4.32 |
| FT-1-2 | 2.03 | 1.02 | 4.37 | 3.76 | 0.51 | 2.54 | 5.33 |
| FT-2-1 | 2.03 | 1.02 | 3.18 | 2.36 | 0.51 | 2.54 | 5.33 |
| FT-2-2 | 2.03 | 1.02 | 4.73 | 3.76 | 0.51 | 2.54 | 5.33 |
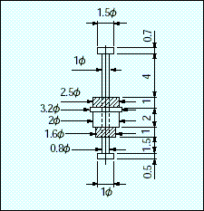
| FT-3-1 | See dimension plan below | ||||||
| Model No. | H (mm) | I (mm) | J (mm) | K (mm) | L (phi mm) | M (phi mm) |
|---|---|---|---|---|---|---|
| FT-1-1 | 1.02 | 2.54 | 7.87 | 2.18 | 2.92 | |
| FT-1-2 | 1.02 | 2.54 | 8.89 | 3.45 | 4.06 | |
| FT-2-1 | 1.02 | 2.54 | 12.7 | 1.5 | 2.18 | 2.92 |
| FT-2-2 | 1.02 | 2.54 | 12.7 | 1.5 | 3.45 | 4.06 |
| FT-3-1 | Recommended through-hole diameter=2.2 phi mm | |||||
![]() | ![]() | ![]() |