| Test Pin (For Logic Circuit Test) [SE Series] (1000pcs/pack) | 
|---|
|  | 
|  | 
| Material | Brass | 
|---|---|
| Finish | Au plating over Ni | 
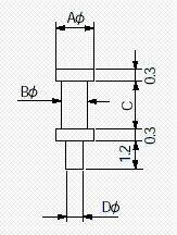
| Model No. | A (phi mm) | B (phi mm) | C (mm) | D (phi mm) | Recommended through-hole diameter (phi mm) | 
|---|---|---|---|---|---|
| SE-1-1 | 1.0 | 0.7 | 1.0 | 0.48 | 0.5 | 
| SE-1-2 | 1.0 | 0.7 | 1.5 | 0.48 | 0.5 | 
| SE-1-3 | 1.0 | 0.7 | 2.0 | 0.48 | 0.5 | 
| SE-2-1 | 1.5 | 1.0 | 1.0 | 0.78 | 0.8 | 
| SE-2-2 | 1.5 | 1.0 | 1.5 | 0.78 | 0.8 | 
| SE-2-3 | 1.5 | 1.0 | 2.0 | 0.78 | 0.8 | 
| SE-2-4 | 1.5 | 1.0 | 3.0 | 0.78 | 0.8 |