ÇÁ¸°Æ®±âÆÇ 2´ÜÀûÀç¿ë
¾Þ±ÛÇü (³¹°³Å¸ÀÙ)
[LB½Ã¸®Áî] (£±ÆÑ1,000°³ÀÔ)
ÇÁ¸°Æ®±âÆÇÀ» Á÷°¢À¸·Î ¼¼¿ï ¶§ »ç¿ëÇØ ÁֽʽÿÀ¡£
³¹°³ ŸÀÙÀ¸·Î ÇÇÄ¡´Â ¿øÇϽô ´ë·Î °¡´ÉÇÕ´Ï´Ù¡£
ÀçÁú・・・・・・Ȳµ¿
ó¸®・・・・・・´ÏÄ̵µ±Ý
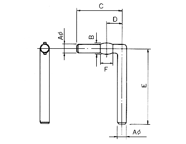
ǰ¹ø
A
B
C
D
E
F
ÇÁ¸°Æ®ÆÇÃëºÎ±¸¸Û°æ
LB-1-1
0.5
0.65
3.3
1.05
5.6
0.5
0.6¥õ
LB-2-1
0.7
0.85
3.4
1.15
5.6
0.7
0.8
PDFÆÄÀÏ(21KB)
Close