£Ì£Å£Ä¿ë
| LED¿ë ½ºÆäÀ̼ [LL½Ã¸®Áî] (£±ÆÑ100°³ÀÔ) |
£Ð£Á£Ô |
- £Ì£Å£Ä¿ë ½ºÆæ¼¿¡ Ç¥½Ã ½ºÆäÀ̽º°¡ •޾î ÀÖ½À´Ï´Ù¡£
- »ö ±¸ºÐ Ç¥½Ã¡¢¹®ÀÚ Ç¥½Ãµµ °¡´É ÇÕ´Ï´Ù¡£
- ¹®ÀÚ Ç¥½Ã´Â¡¢¾Á(ÇϱâÂüÁ¶)¡¢½ÇÅ©Àμ⡢°í¹«ÀÎÀ¸·Î ÇϽʽÿÀ¡£
- ¼öÁ÷ºÎÂø¡¢È¾ºÎÂø¡¢¾ç¹æÇâ¿¡ ºÎÂøÀÌ °¡´É ÇÕ´Ï´Ù¡£
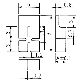
- ȾºÎÂøÀÇ °æ¿ì¡¢£Ì£Ì££´ÀÌ»ó ±æÀÌÀÇ °ÍÀ» »ç¿ëÇØ ÁֽʽÿÀ¡£(¾ÈÀü¼º ¾çÈ£)
- ÀûÇգ̣ţÄ
- ´Ù¸®ÇÇÄ¡・・・・・・£²£®£µ£´mm¡¢£²£®£µmm
- ¸Ó¸®°æ・・・・・・£µ¥õ¡¢£³¥õ
- ÀçÁú・・・・・・£Ð£Â£Ô¼öÁö(UL94V-0)
- »ç¿ë¿Âµµ¹üÀ§・・・・・・££´£°¡É¢¦£«£±£²£µ¡É
- »ö・・・・・・Èæ¡¢¹é¡¢Àû¡¢È²¡¢³ì¡¢Ã»
- ÁÖ¹®¹æ¹ý
£Ì£Ì££³Àû¡ç»öÀ» ³Ö¾î ÁֽʽÿÀ¡£(Èæ¡¢¹é¡¢Àû¡¢È²¡¢³ì¡¢Ã»)
| ǰ¹ø | A(mm) |
| LL-1 | 1 |
| LL-2 | 2 |
| LL-3 | 3 |
| LL-4 | 4 |
| LL-5 | 5 |
| LL-6 | 6 |
| LL-7 | 7 |
| LL-10 | 10 |
PDFÆÄÀÏ(24KB)