£Ì£Å£Ä¿ë
·¹ÀÌÁ® ´ÙÀÌ¿Àµå¿ë ¼ÒÄÉÆ®
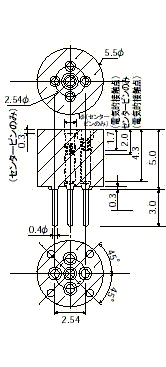
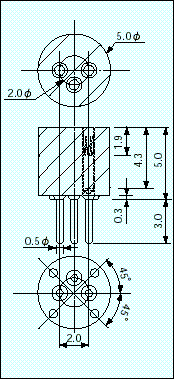
£ÛLQ-2½Ã¸®Áî] (£±ÆÑ10°³ÀÔ) |
PAT.P |
 |
| ¡á»ç¿ë¿¹ |
 |
- ·¹ÀÌÁ® ´ÙÀÌ¿ÀµåµîÀÇ ¼ÒÄÉÆ®·Î »ç¿ë ÇØ ÁֽʽÿÀ¡£
- ÀçÁú
- ¼öÁöºÎ・・・PPSÈæ»ö(UL94V-0)
- ¼ÒÄÉÆ®ºÎ
- ¹Ùµð・・・Ȳµ¿
- ÄÁÅØÆ®・・・º£¸±·ýµ¿
- ó¸®・・・・・・´ÏÄÌ µµ±Ý
- Àü·ù¿ë·®・・・・・・1A
- Á¢ÃËÀúÇ×・・・・・・10m¥ØÀÌÇÏ
- Àý¿¬ÀúÇ×・・・・・・500M¥ØÀÌ»ó
- Àý¿¬³»¾Ð・・・・・・500V AC¡¢DC 1ºÐ°£
- Å»ÂøÈ¸¼ö・・・・・・100ȸ ÀÌ»ó
- Å»Âø·Â・・・・・・30gÀÌ»ó(1ÇÉ´ç)
- »ç¿ë¿Âµµ¹üÀ§・・・・・・-40¢¦+125¡É
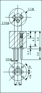
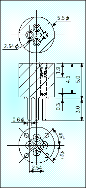
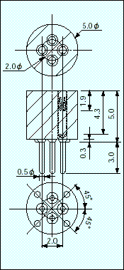
| ǰ¹ø | ÀûÇÕ ¸ÞÀÏÇɰæ | ÇÁ¸°Æ®±âÆÇ ÃëºÎ±¸¸Û°æ |
| LQ-203 | 0.4¢¦0.5¥õ | 0.6¢¦0.7¥õ |
| LQ-204 | 0.4¢¦0.5¥õ | 0.6¢¦0.7¥õ |
| LQ-253 | 0.4¢¦0.5¥õ | 0.7¢¦0.8¥õ |
| LQ-254 | 0.4¢¦0.5¥õ | 0.7¢¦0.8¥õ |
| LQ-245 | 0.25¢¦0.40¥õ | 0.6¥õ |
| LQ-255 | 0.25¢¦0.35¥õ | 0.6¥õ |
| LQ-2555 | 0.4¢¦0.5¥õ | 0.7¢¦0.8¥õ |
PDFÆÄÀÏ(45KB)