·¯±× ´ÜÀÚ
·¯±× ´ÜÀÚ [RG½Ã¸®Áî] (1ÆÑ 100°³ÀÔ)
»ç¿ë¿¹
Á¢Áö¶óÀÎ, ½ÅÈ£¶óÀε忡 Àü¼±À» ÃëºÎ ÇÒ ¶§ »ç¿ëÇØ ÁֽʽÿÀ.
ÀçÁú.............Ȳµ¿
ó¸®.........´ÏÄ̱â¹ÝÁÖ¼®µµ±Ý
RG-1 ½Ã¸®Áî
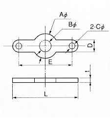
ǰ¹ø
A
B
C
D
E
L
t
M
RG-1-2
5.0
2.2
1.5
3.0
9.0
12
0.3
M2¿ë
RG-1-2.6
6.0
2.8
1.5
3.0
13
16
0.5
M2.6¿ë
RG-1-3
7.0
3.2
1.5
3.5
18
21.5
0.5
M3¿ë
RG-1-4
8.0
4.2
1.5
3.5
18.5
22
0.5
M4¿ë
RG-2 ½Ã¸®Áî
ǰ¹ø
A
B
C
D
E
L
t
M
RG-2-2
5.0
2.2
1.5
3.0
6.0
10
0.3
M2¿ë
RG-2-2.6
6.0
2.8
1.8
4.0
7.0
12
0.4
M2.6¿ë
RG-2-3
7.0
3.2
1.5
3.5
7.75
13
0.4
M3¿ë
RG-2-4
8.0
4.2
1.5
4.0
10.75
17
0.6
M4¿ë
RG-3 ½Ã¸®Áî
ǰ¹ø
A
B
C
D
E
F
L
t
M
RG-3-2
5.0
2.2
4.0
5.0
3.5
2.7
12
0.3
M2¿ë
RG-3-2.6
6.0
2.8
4.0
5.0
3.5
2.7
12
0.3
M2.6¿ë
RG-3-3
7.0
3.3
3.0
4.1
2.8
3.0
12
0.4
M3¿ë
RG-3-4
8.0
4.3
5.0
5.6
4.5
3.5
14
0.5
M4¿ë
RG-1-2
RG-1-2.6
RG-1-3
RG-1-4
RG-2-2
RG-2-2.6
RG-2-3
RG-2-4
RG-3-2.6
RG-3-3
RG-3-4
PDFÆÄÀÏ(38KB)
Close