¼öÁöŸÀÙ ³ª»ç
¼öÁöŸÀÙ ³ª»ç £Û2M,2.6M,3M,4M½Ã¸®Áî] (£±ÆÑ100°³ÀÔ)
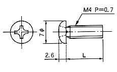
¼öÁöŸÀÙÀÇ ³ª»çÀÔ´Ï´Ù¡£
Àý¿¬ÀÌ ÇÊ¿äÇÑ °æ¿ì¿¡ »ç¿ëÇØ ÁֽʽÿÀ¡£
ÀçÁú
Ư¼ö Æú¸®¾Æ¹Ìµå¼öÁö(UL94HB)
³»Ãò·²»ö(¾ÆÀ̺¸¸®)
ºñƲ¸²Àý´Ü Åä¿ÀÅ©
³ª»ç
£Í£²・・・・・・£±kgf£cm
£Í£²£®£¶・・・・£²kgf£cm
£Í£³・・・・・・£³kgf£cm
£Í£´・・・・・・£¸kgf£cm
³ÊÆ®
£Í£²・・・・・・£±kgf£cm
£Í£²£®£¶・・・・£²kgf£cm
£Í£³・・・・・・£´kgf£cm
£Í£´・・・・・・£±£°kgf£cm
Âü°íÄ¡ ÀÔ´Ï´Ù¡£Ãßõ ü°á Åä¿ÀÅ©´Â »ó±âÀÇ £µ£°£¥·Î »ç¿ëÇØ ÁֽʽÿÀ¡£
»ç¿ë¿Âµµ¹üÀ§・・・・・・££´£°¢¦£«£±£²£µ¡É
¡á£²£Í½Ã¸®Áî(£Í£²¿ë)
¡á£²£®£¶£Í½Ã¸®Áî(£Í£²£®£¶¿ë)
ǰ¹ø
L(mm)
2M-3
3
2M-4
4
2M-5
5
2M-6
6
2M-8
8
2M-10
10
ǰ¹ø
L(mm)
2.6M-6
6
2.6M-8
8
2.6M-10
10
2.6M-12
12
¡á£³£Í½Ã¸®Áî(£Í£³¿ë)
¡á£´£Í½Ã¸®Áî(£Í£´¿ë)
ǰ¹ø
L(mm)
3M-4
4
3M-5
5
3M-6
6
3M-8
8
3M-10
10
3M-12
12
3M-16
16
3M-20
20
ǰ¹ø
L(mm)
4M-5
5
4M-6
6
4M-8
8
4M-10
10
4M-12
12
4M-16
16
4M-20
20
4M-25
25
¡á³ÊÆ®
ǰ¹ø
A
B
C
2M-N
4
1.6
M2
2.6M-N
5
2.0
M2.6
3M-N
5.5
2.4
M3
4M-N
7
3.2
M4
PDFÆÄÀÏ(26KB)
Close