| ¼öÁöŸÀÙ ³ª»ç
[2MPS, 2.6MPS, 3MPS, 4MPS½Ã¸®Áî] [PPS] (1ÆÑ100°³ÀÔ) |
|---|
![]() |
| ³ª»ç | ||
|---|---|---|
| M2 | ・・・ | 0.8kgf-cm (7.8N-cm) |
| M2.6 | ・・・ | 1.9kgf-cm (18.6N-cm) |
| M3 | ・・・ | 3kgf-cm (29.4N-cm) |
| M4 | ・・・ | 7kgf-cm (68.6N-cm) |
| ³ÊÆ® | ||
|---|---|---|
| M2 | ・・・ | 0.8kgf-cm (7.8N-cm) |
| M2.6 | ・・・ | 1.9kgf-cm (18.6N-cm) |
| M3 | ・・・ | 3kgf-cm (29.4N-cm) |
| M4 | ・・・ | 7kgf-cm (68.6N-cm) |
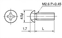
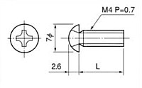
| ¡á2MPS½Ã¸®Áî(M2¿ë) | ¡á2.6MPS½Ã¸®Áî(M2.6¿ë) | ||||||||||||||||||||||||||||||
|---|---|---|---|---|---|---|---|---|---|---|---|---|---|---|---|---|---|---|---|---|---|---|---|---|---|---|---|---|---|---|---|
|
|
|
|
||||||||||||||||||||||||||||
| ¡á3MPS½Ã¸®Áî(M3¿ë) | ¡á4MPS½Ã¸®Áî(M4¿ë) | ||||||||||||||||||||||||||||||||||||||
|---|---|---|---|---|---|---|---|---|---|---|---|---|---|---|---|---|---|---|---|---|---|---|---|---|---|---|---|---|---|---|---|---|---|---|---|---|---|---|---|
|
|
|
|
||||||||||||||||||||||||||||||||||||
![]() | ![]() |
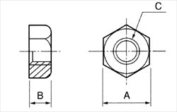
| ǰ¹ø | A | B | C |
|---|---|---|---|
| 3MPS-N | 5.5 | 2.4 | M3 |
| 4MPS-N | 7 | 3.2 | M4 |