½ºÆäÀ̼­ (±Ý¼ÓŸÀÙ ½ºÅÙ·¹½º)



ÇÁ¸°Æ®ÆÇ¿ë ½ºÆäÀ̼­ À°°¢Çü (M4ŸÀÙ)
[4SPS, 4SQS½Ã¸®Áî] (£±ÆÑ100°³ÀÔ)

¡á4SPSŸÀÙ(M4¿ë)
ǰ¹øA(mm)L(mm)
4SPS-5°üÅë5
4SPS-6°üÅë6
4SPS-7°üÅë7
4SPS-8°üÅë8
4SPS-9°üÅë9
4SPS-10°üÅë10
4SPS-11°üÅë11
4SPS-12°üÅë12
4SPS-13°üÅë13
4SPS-14°üÅë14
4SPS-15°üÅë15
4SPS-168ÀÌ»ó16
4SPS-178ÀÌ»ó17
4SPS-188ÀÌ»ó18
ǰ¹øA(mm)L(mm)
4SPS-198ÀÌ»ó19
4SPS-208ÀÌ»ó20
4SPS-258ÀÌ»ó25
4SPS-308ÀÌ»ó30
4SPS-358ÀÌ»ó35
4SPS-408ÀÌ»ó40
4SPS-458ÀÌ»ó45
4SPS-508ÀÌ»ó50
4SPS-608ÀÌ»ó60
4SPS-708ÀÌ»ó70
4SPS-808ÀÌ»ó80
4SPS-908ÀÌ»ó90
4SPS-1008ÀÌ»ó100


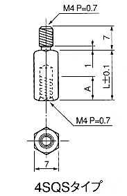
¡á4SQSŸÀÙ(M4¿ë)
ù¡ÛãA(mm)L(mm)
4SQS-63ÀÌ»ó6
4SQS-74ÀÌ»ó7
4SQS-84.5ÀÌ»ó8
4SQS-95ÀÌ»ó9
4SQS-106ÀÌ»ó10
4SQS-116ÀÌ»ó11
4SQS-127ÀÌ»ó12
4SQS-137ÀÌ»ó13
4SQS-148ÀÌ»ó14
4SQS-1510ÀÌ»ó15
4SQS-1610ÀÌ»ó16
4SQS-1710ÀÌ»ó17
4SQS-1810ÀÌ»ó18
ù¡ÛãA(mm)L(mm)
4SQS-1910ÀÌ»ó19
4SQS-2010ÀÌ»ó20
4SQS-2510ÀÌ»ó25
4SQS-3010ÀÌ»ó30
4SQS-3510ÀÌ»ó35
4SQS-4010ÀÌ»ó40
4SQS-4510ÀÌ»ó45
4SQS-5010ÀÌ»ó50
4SQS-6010ÀÌ»ó60
4SQS-7010ÀÌ»ó70
4SQS-8010ÀÌ»ó80
4SQS-9010ÀÌ»ó90
4SQS-10010ÀÌ»ó100


PDFÆÄÀÏ(19KB)


Close