| ¹ÙÅ׸®¿ë ½ºÇÁ¸µÇÁ·Îºê [VB½Ã¸®Áî] (1ÆÑ10°³ÀÔ) |
£Ð£Á£Ô |
|---|
| ¡á»ç¿ë¿¹ |
![]() |
![]() |
| ¡áµ¿ÀÛ·Â | ¡á½ºÆ®·ÎÅ© |
|---|---|
| 1mm½ºÆ®·ÎÅ©·Î VB-¡à-6ŸÀÙ・・・200g VB-¡à-8ŸÀÙ・・・200g VB-¡à-8-C¡àŸÀÙ・・・200g |
VB-¡à-6ŸÀÙ・・・1.5mm VB-¡à-8ŸÀÙ・・・2.0mm VB-¡à-8-C¡àŸÀÙ・・・1.5mm |
| ¡áÃëºÎ±¸¸Û°æ | |
|---|---|
![]() | ![]() |
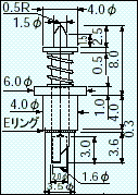
| ¡áÃëºÎ¹æ¹ý | |
![]() | ![]() |
![]() | ![]() | ![]() | ![]() | ||||
![]() | ![]() | ![]() | ![]() | ||||
| ǰ¹ø | L | ǰ¹ø | L | ǰ¹ø | L | ǰ¹ø | L |
|---|---|---|---|---|---|---|---|
| VB-2-6-AA | 6.0 | VB-2-6-BA | 6.0 | VB-2-8-CA | 8.0 | VB-2-6-AB | 6.0 |
| VB-2-8-AA | 8.0 | VB-2-8-BA | 8.0 | VB-2-8-AB | 8.0 | ||
![]() | ![]() | ![]() | ![]() | ||||
![]() | ![]() | ![]() | ![]() | ||||
| ǰ¹ø | L | ǰ¹ø | L | ǰ¹ø | L | ǰ¹ø | L |
| VB-2-6-BB | 6.0 | VB-2-8-CB | 8.0 | VB-20-6-AA | 6.0 | VB-20-6-BA | 6.0 |
| VB-2-8-BB | 8.0 | VB-20-6-AA | 8.0 | VB-20-8-BA | 8.0 | ||
![]() | ![]() | ![]() | ![]() | ||||
![]() | ![]() | ![]() | ![]() | ||||
| ǰ¹ø | L | ǰ¹ø | L | ǰ¹ø | L | ǰ¹ø | L |
| VB-20-8-CA | 8.0 | VB-20-6-AB | 6.0 | VB-20-6-BB | 6.0 | VB-20-8-CB | 8.0 |
| VB-20-8-AB | 8.0 | VB-20-8-BB | 8.0 | ||||