Ç¥¸é½ÇÀå¿ë£¨Ã¼Å©£©
ÀÚµ¿»ðÀÔ±â¿ë Ç¥¸é½ÇÀå¿ë Ä®¶óüũ´ÜÀÚ
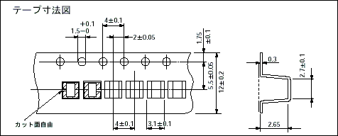
[HK-5½Ã¸®Áî] |
£Ð£Á£Ô |
- Ĩ¸¶¿îÅÍ¿¡ °É ¼ö ÀÖ´Â Ä®¶óüũ´ÜÀÚ ÀÔ´Ï´Ù¡£
- »öÀº¡¢Ä®¶óÄÚµå¿Í °°Àº 10»ö ÀÖ½À´Ï´Ù¡£
- »çÀÌÁî´Â£²£®£µ¡¿£³£®£°
- Ãßõ ·£µå°æÀº Àü¸é£¨À广Çü¡à£©£±£®£²£µ¡¿£²£®£µÀÌ»óÀ¸·Î Çϴ°ÍÀÌ °µµ°¡ Áõ°¡ÇÕ´Ï´Ù¡£
- ¿¥ºê½ºÅ×ÀÌÇÁ¿¡ ¼ö³³µÇ¾î ÀÖ½À´Ï´Ù¡£
- »ç¿ë¿Âµµ¹üÀ§・・・・・・££´£°¡É¢¦£«£±£µ£°¡É
- ¸®Ç÷Π´ëÀÀÇü
- ÀçÁú
- ÇɺÎ・・・・・・¸°Ã»µ¿£°£®£²t
- ¼öÁöºÎ(»ç¼±ºÎ)・・・・・・ºÒ¼Ò(£Õ£Ì£¹£´£Ö££°)(»ö£±£°»ö)
- ó¸®
- £È£Ë££µ££Ç・・・・・・´ÏÄ̼º±Ýµµ±Ý
- £È£Ë££µ££Ó・・・・・・´ÏÄ̼ºÁÖ¼®µµ±Ý
| ǰ¹ø | Æ÷Àå»óÅ |
| HK-5-G¡à | ¸±(1¸±1,000°³ÀÔ) |
| HK-5-S¡à | ¸±(1¸±1,000°³ÀÔ) |
| HK-5-G-B¡à | ³¹°³(1ÆÑ1,000°³ÀÔ) |
| HK-5-S-B¡à | ³¹°³(1ÆÑ1,000°³ÀÔ) |
¡Ø¡àÀº »öÀ» ±âÀÔÇØ ÁֽʽÿÀ¡£
¡áÁÖ¹®¹æ¹ý
£È£Ë££µ££Ç Àû¡ç»öÀ» ÁöÁ¤ÇØ ÁֽʽÿÀ¡£
»ö£ºÈæ¡¢°¥¡¢Àû¡¢ÁÖȲ¡¢È²¡¢³ì¡¢Ã»¡¢ÀÚ¡¢È¸¡¢¹é
PDFÆÄÀÏ(23KB)