Ç¥¸é½ÇÀå¿ë£¨Àü¿ø´ÜÀÚ£©
Ç¥¸é½ÇÀå¿ë Àü¿ø´ÜÀÚ
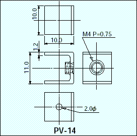
[PV-13¡¢PV-14½Ã¸®Áî] |
£Ð£Á£Ô |
- Ç¥¸é½ÇÀå¿ë±âÆÇ¿¡ Ⱦ¹æÇâÀ¸·Î ºÎÅÍ Àü¿øÀ» °ø±ÞÇҽà ÀÌ¿ëÇØ ÁֽʽÿÀ¡£
- À§Ä¡°áÁ¤¿ë ¹Ð¾î³»±â ÇÉÀÌ 2°÷¿¡ ºÙ¾îÀÖ½À´Ï´Ù¡£
- Àü¼±ÀÇ ³¡¿¡ ¾ÐÂø´ÜÀÚ(£Í£³)¸¦ ÃëºÎÇÏ°í £Í£³ ³ª»ç·Î ü°áÇÏ¿© ÁֽʽÿÀ¡£(PV-13)
- Àü¼±ÀÇ ³¡Àº ¾ÐÂø´ÜÀÚ(£Í4)¸¦ ÃëºÎÇÏ°í £Í£³ ³ª»ç·Î ü°áÇÏ¿© ÁֽʽÿÀ¡£(PV-14)
- ÀçÁú
- PV-13・・・・・・Ȳµ¿
- PV-14・・・・・・µ¿
- ó¸®・・・・・・´ÏÄ̼ºÁÖ¼®µµ±Ý
- Àü·ù¿ë·®
- PV-13・・・・・・20A
- PV-14・・・・・・30A
- Ãßõ Å©¸²³³¶« µÎ²²・・・・・・150¢¦200¥ì
°üÅë Ȧ ±¸¸ÛÀº ºüÆ®¸² ¾øÀÌ µµÆ÷ÇØ ÁֽʽÿÀ¡£
- ü°áÅä¿ÀÅ©
- PV-13・・・・・・5kg.f.cmÀÌÇÏ
- PV-14・・・・・・5kg.f.cmÀÌÇÏ
| ǰ¹ø | Æ÷Àå»óÅ |
| PV-3 | ³¹°³ (1ÆÑ100°³ÀÔ) |
| PV-3-T | ¸± (1¸±800°³ÀÔ) |
| PV-4 | ³¹°³ (1ÆÑ100°³ÀÔ) |
| PV-4-T | ¸± (1¸±450°³ÀÔ) |
¡áPV-13-TÄ©¼öµµ
¡áPV-13-TÄ©¼öµµ
PDFÆÄÀÏ(35KB)
PDFÆÄÀϳ»¿¡ ±âÀç ¿À·ù°¡ ÀÖ½À´Ï´Ù¡£
ÀçÁúÀº PV-13ÀÌ È²µ¿¡¢PV-14°¡ µ¿ÀÔ´Ï´Ù¡£