| ¼ÒÄÉÆ®ÇÉ [PD½Ã¸®Áî] (£±ÆÑ100°³ÀÔ) | 
|---|
| ǰ¹ø | µµ±Ý»ç¾ç | ÀûÇÕ ¸ÞÀÏÇÉ °æ£¨¥õ£© | ¸ÞÀÏÇÉ »ðÀÔ±íÀÌ | ÇÁ¸°Æ®ÆÇ ÃëºÎ±¸¸Û°æ£¨¥õ£© | ±âŸ | |
|---|---|---|---|---|---|---|
| ÄÜÅØÅÍ | ¹Ùµð | |||||
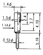
| PD-1 | ±Ý | ¶«³³ | 0.45¢¦0.6 | 3.7 | 0.6 | |
| PD-10 | ±Ý | ±Ý | 0.45¢¦0.6 | 3.7 | 0.6 | |
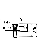
| PD-2 | ±Ý | ±Ý | 0.45¢¦0.6 | 4.1 | 1.0 | |
| PD-4 | ±Ý | ¶«³³ | 0.45¢¦0.6 | 3.7 | 1.4 | |
| PD-40 | ±Ý | ±Ý | 0.45¢¦0.6 | 3.7 | 1.4 | |
| PD-6 | ±Ý | ¶«³³ | 0.40¢¦0.54 | 3.7 | 0.6 | |
| PD-60 | ±Ý | ±Ý | 0.40¢¦0.54 | 3.7 | 0.6 | |
| PD-7 | ±Ý | ¶«³³ | 0.40¢¦0.51 | 3.1 | 1.0 | |
| PD-70 | ±Ý | ±Ý | 0.40¢¦0.51 | 3.1 | 1.0 | |
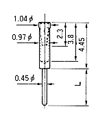
| PD-8 | ±Ý | ¶«³³ | 0.40¢¦0.51 | 3.9 | 0.8 | |
| PD-80 | ±Ý | ±Ý | 0.40¢¦0.51 | 3.9 | 0.8 | |
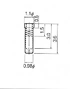
| PD-9 | ±Ý | ÁÖ¼® | 0.4¢¦0.5 | 3.8 | 0.5¢¦0.6 | |
| PD-90 | ±Ý | ±Ý | 0.4¢¦0.5 | 3.8 | 0.5¢¦0.6 | |
| PD-91 | ±Ý | ÁÖ¼® | 0.4¢¦0.5 | 3.8 | 0.5¢¦0.6 | |
| PD-910 | ±Ý | ±Ý | 0.4¢¦0.5 | 3.8 | 0.5¢¦0.6 | |
| PD-11 | ±Ý | ÁÖ¼® | 0.25¢¦0.45 | 2.6 | 0.5 | |
| PD-12 | ±Ý | ÁÖ¼® | 0.35¢¦0.50 | 3.0 | 1.0 | |
| PD-13 | ±Ý | ÁÖ¼® | 0.35¢¦0.50 | ÀÚÀ¯ | 1.0 | ¹ØÀÌ °üÅë ÀÔ´Ï´Ù¡£ | 
| PD-31 | ±Ý | ¶«³³ | 0.65¢¦0.85¥õ¡¢0.64¡à | 5.8 | 0.7 | |
| PD-310 | ±Ý | ±Ý | 0.65¢¦0.85¥õ¡¢0.64¡à | 5.8 | 0.7 | |
| PD-51 | ±Ý | ÁÖ¼® | 0.45¢¦0.6 | 4.0 | 1.5 | ¾ç¹æÇâ¿¡¼ ¸ÞÀÏÇÉ »ðÀÔÀÌ °¡´É ÇÕ´Ï´Ù¡£ | 
| PD-61 | ±Ý | ÁÖ¼® | 0.6¢¦0.8 | 4.2 | 0.7 | ¡¡ | 
| PD-62 | ±Ý | ÁÖ¼® | 0.6¢¦0.8 | 4.2 | 1.8 | ¡¡ | 
| PD-66 | ±Ý | ÁÖ¼® | 0.6¢¦0.8 | ÀÚÀ¯ | 1.8 | ¹ØÀÌ °üÅë ÀÔ´Ï´Ù¡£ | 
| PD-71 | ±Ý | ÁÖ¼® | 0.8¢¦1.0 | 5.0 | 0.9¢¦1.0 | |
| PD-72 | ±Ý | ÁÖ¼® | 0.8¢¦1.0 | 5.0 | 2.3 | |
| PD-73 | ±Ý | ÁÖ¼® | 0.8¢¦1.0 | 4.5 | 2.3 | |
| PD-74 | ±Ý | ÁÖ¼® | 0.8¢¦1.0 | 5.0 | 0.9¢¦1.0 | |
| PD-77 | ±Ý | ÁÖ¼® | 0.8¢¦1.0 | ÀÚÀ¯ | 2.3 | ¹ØÀÌ °üÅë ÀÔ´Ï´Ù¡£ | 
| PD-131 | ±Ý | ÁÖ¼® | 1.2¢¦1.45 | 6.0 | 3.0 | |
| PD-132 | ±Ý | ÁÖ¼® | 1.2¢¦1.45 | 6.0 | 3.0 | |
| PD-133 | ±Ý | ÁÖ¼® | 1.2¢¦1.45 | ÀÚÀ¯ | 3.0 | ¹ØÀÌ °üÅë ÀÔ´Ï´Ù¡£ | 
| PD-151 | ±Ý | ±Ý | 1.3¢¦1.6 | 6.0 | 3.3 | |
| PD-152 | ±Ý | ±Ý | 1.3¢¦1.6 | 6.0 | 3.3 | |
| PD-155 | ±Ý | ±Ý | 1.3¢¦1.6 | ÀÚÀ¯ | 3.3 | ¹ØÀÌ °üÅë ÀÔ´Ï´Ù¡£ | 
| PD-191 | ±Ý | ÁÖ¼® | 1.7¢¦2.1 | 6.5 | 3.8 | |
| PD-192 | ±Ý | ÁÖ¼® | 1.7¢¦2.1 | 6.5 | 3.8 | |
| PD-199 | ±Ý | ÁÖ¼® | 1.7¢¦2.1 | ÀÚÀ¯ | 3.8 | ¹ØÀÌ °üÅë ÀÔ´Ï´Ù¡£ | 
|  |  |  |  |  | 
|  |  |  |  |  | 
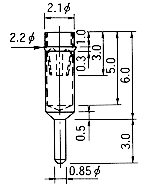
| PD-1,PD-10 | PD-2 | PD-4 PD-40 | PD-6 PD-60 | PD-7 PD-70 | 
|  |  |  |  |  | 
|  |  |  |  |  | 
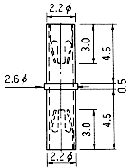
| PD-8 PD-80 | PD-9,90 L¡¦4.55 PD-91,910 L¡¦10.16 | PD-11 | PD-12 | PD-13 (¹Ø °üÅë) | 
|  |  |  |  |  | 
|  |  |  |  |  | 
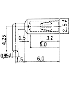
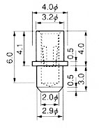
| PD-31 PD-310 | PD-51 (¾ç¹æÇâ¿¡¼ ¸ÞÀÏÇÉ »ðÀÔ °¡´É | PD-61 | PD-62 | PD-66 (¹Ø °üÅë) | 
|  |  |  |  |  | 
|  |  |  |  |  | 
| PD-71 | PD-72 | PD-73 (¾ç¹æÇâ¿¡¼ ¸ÞÀÏÇÉ »ðÀÔ °¡´É) | PD-74 | PD-77 £¨¹Ø °üÅ룩 | 
|  |  |  |  |  | 
|  |  |  |  |  | 
| PD-131 | PD-132 | PD-133 (¹Ø °üÅë) | PD-151 | PD-152 | 
|  |  |  |  | 
|  |  |  |  | 
| PD-155 (¹Ø °üÅë) | PD-191 | PD-192 | PD-199 (¹Ø °üÅë) | 
| Ç׸ñ¡¬Ç°¹ø | PD-1 | PD-2 | PD-4, 40 | PD-6, 60 | PD-7, 70 | PD-8=, 80 | PD-9, 90 | PD-91, 910 | PD-10 | PD-11 | PD-12 | PD-13 | 
|---|---|---|---|---|---|---|---|---|---|---|---|---|
| Á¤°ÝÀü·ù£¨A£© | 1 | 1 | 1 | 1 | 1 | 1 | 1 | 1 | 1 | 1 | 1 | 1 | 
| Á¤°ÝÀü¾Ð125V,DC,AC | ¡ç | ¡ç | ¡ç | ¡ç | ¡ç | ¡ç | ¡ç | ¡ç | ¡ç | ¡ç | ¡ç | ¡ç | 
| Á¢ÃËÀúÇ×10m¥ØÀÌÇÏ | ¡ç | ¡ç | ¡ç | ¡ç | ¡ç | ¡ç | ¡ç | ¡ç | ¡ç | ¡ç | ¡ç | ¡ç | 
| »ç¿ë¿Âµµ¹üÀ§ -40¢¦+125¡É | ¡ç | ¡ç | ¡ç | ¡ç | ¡ç | ¡ç | ¡ç | ¡ç | ¡ç | ¡ç | ¡ç | ¡ç | 
| Å»ÂøÈ¸¼ö 100ȸ ÀÌ»ó | ¡ç | ¡ç | ¡ç | ¡ç | ¡ç | ¡ç | ¡ç | ¡ç | ¡ç | ¡ç | ¡ç | ¡ç | 
| »ðÀԷ£¨gÀÌ»ó£© | 70 | 70 | 70 | 70 | 50 | 70 | 20 | 20 | 70 | 50 | 20 | 20 | 
| Å»°Å·Â£¨gÀÌÇÏ£© | 70 | 70 | 70 | 70 | 50 | 70 | 20 | 20 | 70 | 50 | 20 | 20 | 
| ÀçÁú ³»ºÎ ÄÜÅØÅÍ º£¸±·ýµ¿ ¹Ùµð Ȳµ¿ | ¡ç | ¡ç | ¡ç | ¡ç | ¡ç | ¡ç | ¡ç | ¡ç | ¡ç | ¡ç | ¡ç | ¡ç | 
| Ç׸ñ¡¬Ç°¹ø | PD-31, 310 | PD-51 | PD-61 | PD-62 | PD-63 | PD-71 | PD-72 | PD-73 | PD-74 | PD-77 | 
|---|---|---|---|---|---|---|---|---|---|---|
| Á¤°ÝÀü·ù£¨A£© | 3 | 1 | 5 | 5 | 5 | 5 | 5 | 5 | 5 | 5 | 
| Á¤°ÝÀü¾Ð125V,DC,AC | ¡ç | ¡ç | ¡ç | ¡ç | ¡ç | ¡ç | ¡ç | ¡ç | ¡ç | ¡ç | 
| Á¢ÃËÀúÇ×10m¥ØÀÌÇÏ | ¡ç | ¡ç | ¡ç | ¡ç | ¡ç | ¡ç | ¡ç | ¡ç | ¡ç | ¡ç | 
| »ç¿ë¿Âµµ¹üÀ§ -40¢¦+125¡É | ¡ç | ¡ç | ¡ç | ¡ç | ¡ç | ¡ç | ¡ç | ¡ç | ¡ç | ¡ç | 
| Å»ÂøÈ¸¼ö 100ȸ ÀÌ»ó | ¡ç | ¡ç | ¡ç | ¡ç | ¡ç | ¡ç | ¡ç | ¡ç | ¡ç | ¡ç | 
| »ðÀԷ£¨gÀÌ»ó£© | 50 | 70 | 150 | 150 | 150 | 150 | 150 | 150 | 150 | 150 | 
| Å»°Å·Â£¨gÀÌ»ó£© | 50 | 70 | 150 | 150 | 150 | 150 | 150 | 150 | 150 | 150 | 
| ÀçÁú ³»ºÎ ÄÜÅØÅÍ º£¸±·ýµ¿ ¹Ùµð Ȳµ¿ | ¡ç | ¡ç | ¡ç | ¡ç | ¡ç | ¡ç | ¡ç | ¡ç | ¡ç | ¡ç | 
| Ç׸ñ¡¬Ç°¹ø | PD-131 | PD-132 | PD-133 | PD-151 | PD-152 | PD-155 | 
|---|---|---|---|---|---|---|
| Á¤°ÝÀü·ù£¨A£© | 15 | 15 | 15 | 15 | 15 | 15 | 
| Á¤°ÝÀü¾Ð125V,DC,AC | ¡ç | ¡ç | ¡ç | ¡ç | ¡ç | ¡ç | 
| Á¢ÃËÀúÇ×10m¥ØÀÌÇÏ | ¡ç | ¡ç | ¡ç | ¡ç | ¡ç | ¡ç | 
| »ç¿ë¿Âµµ¹üÀ§ -40¢¦+125¡É | ¡ç | ¡ç | ¡ç | ¡ç | ¡ç | ¡ç | 
| Å»ÂøÈ¸¼ö 100ȸ ÀÌ»ó | ¡ç | ¡ç | ¡ç | ¡ç | ¡ç | ¡ç | 
| »ðÀԷ£¨gÀÌ»ó£© | 100 | 100 | 100 | 100 | 100 | 100 | 
| Å»°Å·Â£¨gÀÌ»ó£© | 100 | 100 | 100 | 100 | 100 | 100 | 
| ÀçÁú ³»ºÎ ÄÜÅØÅÍ º£¸±·ýµ¿ ¹Ùµð Ȳµ¿ | ¡ç | ¡ç | ¡ç | ¡ç | ¡ç | ¡ç | 
| Ç׸ñ¡¬Ç°¹ø | PD-191 | PD-192 | PD-199 | 
|---|---|---|---|
| Á¤°ÝÀü·ù£¨A£© | 20 | 20 | 20 | 
| Á¤°ÝÀü¾Ð125V,DC,AC | ¡ç | ¡ç | ¡ç | 
| Á¢ÃËÀúÇ×10m¥ØÀÌÇÏ | ¡ç | ¡ç | ¡ç | 
| »ç¿ë¿Âµµ¹üÀ§ -40¢¦+125¡É | ¡ç | ¡ç | ¡ç | 
| Å»Âûȸ¼ö 100ȸ ÀÌ»ó | ¡ç | ¡ç | ¡ç | 
| »ðÀԷ£¨gÀÌ»ó£© | 150 | 150 | 150 | 
| Å»°Å·Â£¨gÀÌ»ó£© | 150 | 150 | 150 | 
| ÀçÁú ³»ºÎ ÄÜÅØÅÍ º£¸±·ýµ¿ ¹Ùµð Ȳµ¿ | ¡ç | ¡ç | ¡ç | 
